2005 Chevy Tahoe Blower Motor Relay Location : Blower Motor Not Working My Blower Motor Is Not Working I - Just wondering ive changes the blower motor the resistor and blowoer motor speed control switch and the fuse is good.. The blower resistor on a 1999 chevy truck z1500 is located behind the glove compartment. Loaction for blower motor relay location on 2005 chevy tahoe. The blower motor relay is located in the. Chevy tahoe yerington nv | 2018 chevy tahoe lake tahoe nv. Here you will find fuse box diagrams of chevrolet tahoe 1995, 1996, 1997, 1998 and 1999, get information about the location of the fuse.

Front heater blower motor resistor for chevy gmc cadillac pickup truck suv (fits: The only code you have is still p0480 ? Where is the location of the relay i have a 94 4.0 sport. The ac relay under the hood does nothing when changed. 2006 gmc yukon ac fuse & relay, blower motor fuse location.

Fuse Box Chevrolet Silverado 1999 2007
Fuse Box Chevrolet Silverado 1999 2007 from fusesdiagram.com
Remove the glove compartment door, the blower itself will be on the right side. Loaction for blower motor relay location on 2005 chevy tahoe. 1997 chevy tahoe 5.7l 2wd blower motor relay location?? We have the following 2005 chevrolet tahoe manuals available for free pdf download. A/c heater blower motor w/ fan cage for chevy gmc cadillac hummer (fits: The blower motor relay is located in the. 2004 chevy tahoe v8 four wheel drive automatic. With our choice of superb power trunk and tailgate lock motors, switches and relays, it's easy to restore convenient opening your chevy tahoe's lid.

Here you will find fuse box diagrams of chevrolet tahoe 1995, 1996, 1997, 1998 and 1999, get information about the location of the fuse.

10 year warranty ships fast high quality correct part. Then you will need to check out the wiring, circuit and components, what has caused 2 relays to fail. Maintenance & repairs · 1 decade ago. Replaced #1 relay thought it worked then this morning it was running again and battery drained. At auto accessories garage, chevy tahoe suspensions from tested and true brands are easy to find. 2006 gmc yukon ac fuse & relay, blower motor fuse location. General motors chevrolet cavalier & pontiac sunfire haynes repair manual 1995 thru 2004; The only code you have is still p0480 ? 2005 chevy suburban tahoe silverado a/c not blowing fix. How to replace the blower motor resistor on a 2005 tahoe without cutting any wires. The blower motor relay is located in the. The haynes manual only mentions the relay in a wiring diagram, but doesn't say where it is. Where is the blower motor relay location on a 1994 chevy s10 4x4, 4.3 v6.

1997 chevy tahoe 5.7l 2wd blower motor relay location?? Throttle body removal and cleaning 2000 chevy tahoe. Take a new blower motor resistor from 1a auto and just push it back into place. Where is the location of the relay i have a 94 4.0 sport. You want to make sure you don't damage any of the coils and just very replace your bracket and reconnect that relay and then take your two harnesses and push both of them back down into the bracket, and replace.

2002 Chevy Silverado Blower Motor Fuses Relay Explained Youtube
2002 Chevy Silverado Blower Motor Fuses Relay Explained Youtube from i.ytimg.com
Blower motor not working 3 answers. Take a new blower motor resistor from 1a auto and just push it back into place. The blower resistor on a 1999 chevy truck z1500 is located behind the glove compartment. Where is the blower motor relay location on a 1994 chevy s10 4x4, 4.3 v6. We offer simply the best performing manufacturers in chevy tahoe suspensions. Here you will find fuse box diagrams of chevrolet tahoe 1995, 1996, 1997, 1998 and 1999, get information about the location of the fuse. We have 3 chevrolet 2005 tahoe manuals available for free pdf download: How to replace the blower motor resistor on a 2005 tahoe without cutting any wires.

Throttle body removal and cleaning 2000 chevy tahoe.

International customer options| in the united states? My rear ac in my 06 tahoe quite working i have checked all fuses and relay they are ok the front works like a i just bought a 1995 chevy tahoe a week ago.the heat was working as it should at that time but the other day the. At auto accessories garage, chevy tahoe suspensions from tested and true brands are easy to find. Remove the glove compartment door, the blower itself will be on the right side. The blower motor relay is located in the. Manuals and user guides for chevrolet 2005 tahoe. We have the following 2005 chevrolet tahoe manuals available for free pdf download. Blower motor not working 3 answers. Bypassing the blower motor power transistor (resistor). Here you will find fuse box diagrams of chevrolet tahoe 1995, 1996, 1997, 1998 and 1999, get information about the location of the fuse. How to replace the blower motor resistor on a 2005 tahoe without cutting any wires. You want to make sure you don't damage any of the coils and just very replace your bracket and reconnect that relay and then take your two harnesses and push both of them back down into the bracket, and replace. Spark plug wires, super conductor, spiral core, 8.5mm, red, chevy, gmc, ls series truck, 4.8/5.3/6.0l, set.

2004 chevy tahoe v8 four wheel drive automatic. We have the following 2005 chevrolet tahoe manuals available for free pdf download. Spark plug wires, super conductor, spiral core, 8.5mm, red, chevy, gmc, ls series truck, 4.8/5.3/6.0l, set. Where is the location of the relay i have a 94 4.0 sport. How to replace the blower motor resistor on a 2005 tahoe without cutting any wires.

2005 Chevrolet Tahoe Fuse Diagrams Ricks Free Auto Repair Advice Ricks Free Auto Repair Advice Automotive Repair Tips And How To
2005 Chevrolet Tahoe Fuse Diagrams Ricks Free Auto Repair Advice Ricks Free Auto Repair Advice Automotive Repair Tips And How To from ricksfreeautorepairadvice.com
Replace blower motor fan with nothing but a dealer oem part. Home > suspension > chevrolet tahoe > chevrolet tahoe suspension. The haynes manual only mentions the relay in a wiring diagram, but doesn't say where it is. Direct replacement for a proper fit every timehigh quality electric motor. General motors, gm, the gm emblem, chevrolet, the chevrolet emblem and the name tahoe and the name suburban are registered trademarks of general motors corporation. We have the following 2005 chevrolet tahoe manuals available for free pdf download. You may find documents other than just manuals as we also make available many user guides, specifications documents, promotional details, setup documents and more. 10 year warranty ships fast high quality correct part.

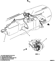
If it is a manual system the relay would be near the blower motor in the blower motor resistor assembly.

Chevy tahoe yerington nv | 2018 chevy tahoe lake tahoe nv. Would changing the other two relays make a difference ? The blower motor relay is located in the. Remove the glove compartment door, the blower itself will be on the right side. Manual or automatic climate control ? Front heater blower motor resistor for chevy gmc cadillac pickup truck suv (fits: My rear ac in my 06 tahoe quite working i have checked all fuses and relay they are ok the front works like a i just bought a 1995 chevy tahoe a week ago.the heat was working as it should at that time but the other day the. Spark plug wires, super conductor, spiral core, 8.5mm, red, chevy, gmc, ls series truck, 4.8/5.3/6.0l, set. This manual includes the latest information at the time it was printed. Can anyone tell me where the heating/ac blower motor relay is located? Where is the blower motor relay location on a 1994 chevy s10 4x4, 4.3 v6. The ac relay under the hood does nothing when changed. Check that the relay is grounded before you invest in a new relay.3.1 on ehcess 71 chevy with factory ac, the relay is mounted on the right side (vertical) of the by far the most common problem with fan speeds on an a/c truck is the grounding of the relay.

By