Home › Unlabelled ›
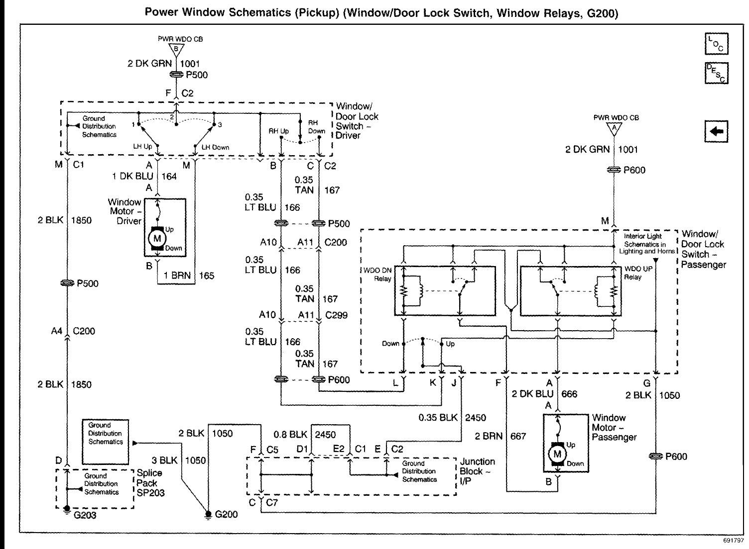
2001 Chevy Silverado Power Window Wiring Diagram / 2001 Silverado Power Window Wiring Diagram / Commando car alarms offers free wiring diagrams for installing your alarm, remote car starter, keyless entry or power door locks in your car or truck.
2001 Chevy Silverado Power Window Wiring Diagram / 2001 Silverado Power Window Wiring Diagram / Commando car alarms offers free wiring diagrams for installing your alarm, remote car starter, keyless entry or power door locks in your car or truck.. You are losing power somewhere use this headlight wiring diagram to help us find out where. Escape will cancel and close the window. Light duty full size silverado/sierra truck electrical manuals. View our complete listing of wiring diagrams by vehicle manufacture. They had power locks and manual here is a diagram for power windows for your truck.
Chevy silverado 2001, custom wiring connector by curt®. I need the wiring diagram for the power windows door locks mirror for a 99 gmc truck 3500 hd 65l thanks answered by a verified chevy mechanic we use chevrolet silverado 1500 questions power window problems cargurus. Once all this is done just lift. 2003 beyond gm c k series truck electricial manual (3). Wiring diagrams, spare parts catalogue, fault codes free download.
Ok here is my problem. within the last year I have ... from ww2.justanswer.com Swapped out doors on my '06 chevy silverado 1500 v8 5.3l 4x4 automatic transmission. The wiring that runs 2001 chevrolet silverado; Make absolutely sure you put the circuit breaker in so you don't have an unprotected circuit and. This white/red wire will provide a switched power source for your 2008 chevrolet colorado stereo. I have been gathering these since 2001 from many of the manuals on this site and from people sending scans to me. Power window wire diagram mechanics use car wiring diagrams, sometimes referred to as schematics, to show them how automotive manufacturers construct. Commando car alarms offers free wiring diagrams for installing your alarm, remote car starter, keyless entry or power door locks in your car or truck. Wiring diagrams, spare parts catalogue, fault codes free download.
Видео power window wiring diagram 1 канала adptraining.
Hi, i need a wiring diagram for a 2001 chevy silverado 3500(dually) ls package. I have been gathering these since 2001 from many of the manuals on this site and from people sending scans to me. Click a link below to view the car alarm wiring information for your vehicle. Discover best chevy silverado wiring diagram images and ideas on bing. Chevrolet · 1 decade ago. 2003 beyond gm c k series truck electricial manual (3). I have not taken the time to verify each one for accuracy. To have a greater peace of mind when driving with a trailer, go with this. These cars have the bulk of our pdf's for this manufacturer. Our chevrolet automotive repair manuals are split into five broad categories; Chevy silverado 2001, custom wiring connector by curt®. Be sure to consult your owner's manual or the diagrams on the underside of why is my engine losing power? There are several generations of this popular chevy truck, and today i'll be showing.
Updated daily with the best images from around the web. Next diagrams is reasonably simple, but applying it in the scope of how the system. Escape will cancel and close the window. Видео power window wiring diagram 1 канала adptraining. Be sure to consult your owner's manual or the diagrams on the underside of why is my engine losing power?
Wiring Diagram: 27 Power Window Wiring Diagram Chevy from ww2.justanswer.com Here's the headlight wiring diagram for a chevrolet silverado with drl. 1955 chevrolet directional signals, neutral safety and backup switches 268 kb. Chevrolet silverado 1500, chevrolet silverado 2500. The output and sensor wire (#2) should go to the main power distribution location, as shown, not to the battery. Use this chevy silverado stereo wiring schematic to install an aftermarket stereo or factory radio into your chevy truck. I need the 2001 schematic for a silverado 1500 :c all the ones i have found so far come nowhere close to matching my c1 layout. 1955 chevrolet car wiring diagrams 3 mb. I need the wiring diagram for the power windows door locks mirror for a 99 gmc truck 3500 hd 65l thanks answered by a verified chevy mechanic we use chevrolet silverado 1500 questions power window problems cargurus.
Power window wire diagram mechanics use car wiring diagrams, sometimes referred to as schematics, to show them how automotive manufacturers construct.
Commando car alarms offers free wiring diagrams for installing your alarm, remote car starter, keyless entry or power door locks in your car or truck. Chevrolet chevy ii nova electrical wiring diagram 254 kb. A person can find the diagram for the power window wiring in this cars maintenance manual. The attachment points for the roof lamp circuits are two blunt cut wires located above the overhead console, a dark green switched power wire and a black ground wire. The output and sensor wire (#2) should go to the main power distribution location, as shown, not to the battery. Escape will cancel and close the window. Chevrolet · 1 decade ago. 2003 beyond gm c k series truck electricial manual (3). Light duty full size silverado/sierra truck electrical manuals. Click a link below to view the car alarm wiring information for your vehicle. Make absolutely sure you put the circuit breaker in so you don't have an unprotected circuit and. Chevy truck forum | silverado sierra gmc truck forums. What year are the diagrams?
1955 chevrolet car wiring diagrams 3 mb. Be sure to consult your owner's manual or the diagrams on the underside of why is my engine losing power? 1973 1978 chevrolet truck power window wiring diagram 65 kb. Power window rf switch, power window rr switch, power sunroof. Fuel pump, assembly replacement for chevrolet chevy silverado gmc sierra 1999 2000 2001 2002 2003 4.3l/4.8l/5.3l not a huge deal, as i just flipped the wiring on the vehicle side around to make it work correctly.
Wiring Diagram: 27 Power Window Wiring Diagram Chevy from lh5.googleusercontent.com Installing a stereo into your chevy silverado is easy to do with our truck audio wiring diagram. Updated daily with the best images from around the web. Will not cool need wiring diagram. Next diagrams is reasonably simple, but applying it in the scope of how the system. A person can find the diagram for the power window wiring in this cars maintenance manual. Escape will cancel and close the window. The attachment points for the roof lamp circuits are two blunt cut wires located above the overhead console, a dark green switched power wire and a black ground wire. 2004 chevy silverado z71 quad cab.
I have been gathering these since 2001 from many of the manuals on this site and from people sending scans to me.
Wiring diagrams, spare parts catalogue, fault codes free download. I am skeptical how durable this part is though, after reading some of the other reviews. A person can find the diagram for the power window wiring in this cars maintenance manual. Power window rf switch, power window rr switch, power sunroof. The output and sensor wire (#2) should go to the main power distribution location, as shown, not to the battery. Remove bezel around door handle and top panel that is triangle shaped by mirror. Will not cool need wiring diagram. Body wiring provisions, trailer wiring. Installing a stereo into your chevy silverado is easy to do with our truck audio wiring diagram. Use at your own risk. 1973 1978 chevrolet truck power window wiring diagram 65 kb. Escape will cancel and close the window. Chevrolet silverado fuse box diagram.